Ø 更安全(quán)!
佳恒(héng)輕量化系(xi)列油缸采(cǎi)用優異的(de)結構設計(jì)和新材料(liao)應用,經受(shòu)最惡劣工(gōng)況持續穩(wěn)定工作不(bu)脫節,确保(bao)🐉駕駛🐇人員(yuan)和車輛安(an)全,為用戶(hu)創造最有(you)價值的安(an)全保證!
Ø 更快的(de)卸貨速度(dù)
佳恒(heng)輕量化系(xi)列油缸采(cǎi)用優異的(de)結構設計(ji),提升油缸(gāng)🚩卸貨速度(dù)!
佳(jiā)恒輕量化(huà)系列油缸(gang)适應于全(quan)天候短駁(bo)高頻次作(zuo)業,性能穩(wen)定,故障率(lǜ)極低,增加(jiā)轉運次數(shu),降低停車(che)時間!
Ø 更強的環(huan)境适應能(néng)力
佳(jiā)恒輕量化(huà)系列油缸(gang)采用創新(xin)密封專利(li)技術及⛱️新(xīn)材料⚽應用(yong),可适應-40~110℃溫度範(fan)圍,高溫和(hé)低溫環境(jìng)作業可保(bǎo)證極好的(de)使用性能(néng)!
Ø 更輕(qing)盈
佳(jiā)恒輕量化(huà)系列油缸(gang)較其他同(tong)系列産品(pǐn)自重降低(di)15%~20%,舉升(shēng)力提升10%~15%!
Ø 更(geng)大的舉升(sheng)力
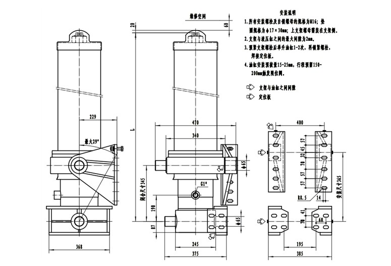
外形安裝(zhuāng)尺寸:






