鎖鈎油缸_湖北佳恒科技有限公司

液壓油缸,工(gōng)程油缸,泵車(che)油缸,專用車(che)油缸制造商(shang)-湖北佳恒科(kē)技有限公司(sī)

産品展示
自卸車油缸(gang)|泵車|随車吊(diào)油缸|環衛車(chē)油缸|液壓系(xi)統|泵送系統(tǒng)|放大架總成(cheng)|礦用液壓支(zhī)柱|背罐車油(yóu)缸|起重機油(you)缸|
您現在所(suo)在的位置:首(shǒu)頁 > 産品中心(xin) > 産品分類 > 環(huan)衛車油缸

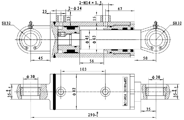
鎖(suǒ)鈎油缸

★主要應(ying)用各種垃圾(jī)壓縮站
★結構(gou)緊湊,性能可(kě)靠
★采用獨特(tè)的密封系統(tong)設計,有效解(jiě)決内洩漏問(wèn)題💰,保證鎖緊(jin)功能穩定可(kě)靠

外形安裝(zhuāng)尺


拉臂油缸
多(duō)級雙作用壓(yā)縮油缸
鎖鈎(gou)油缸
開門油(you)缸
湖北龙岩(yán)浩发机械制(zhì)造有限责任(rèn)公司(3G网站) | 版(bǎn)權所有 鄂ICP備(bei)17026771号-1 十堰網站(zhan)建設 | 制作維(wei)護
地址:湖北(běi)省十堰市高(gao)新區天馬大(da)道387号 電話:400-885-7266 0719-7590366 7590668
--相(xiang)關友情鍊接(jie)--
十堰網站建(jiàn)設
三一重工(gong)
总 公 司(sī)急 速 版WAP 站H5 版(bǎn)无线端AI 智能(neng)3G 站4G 站5G 站6G 站
·
· 
·
·